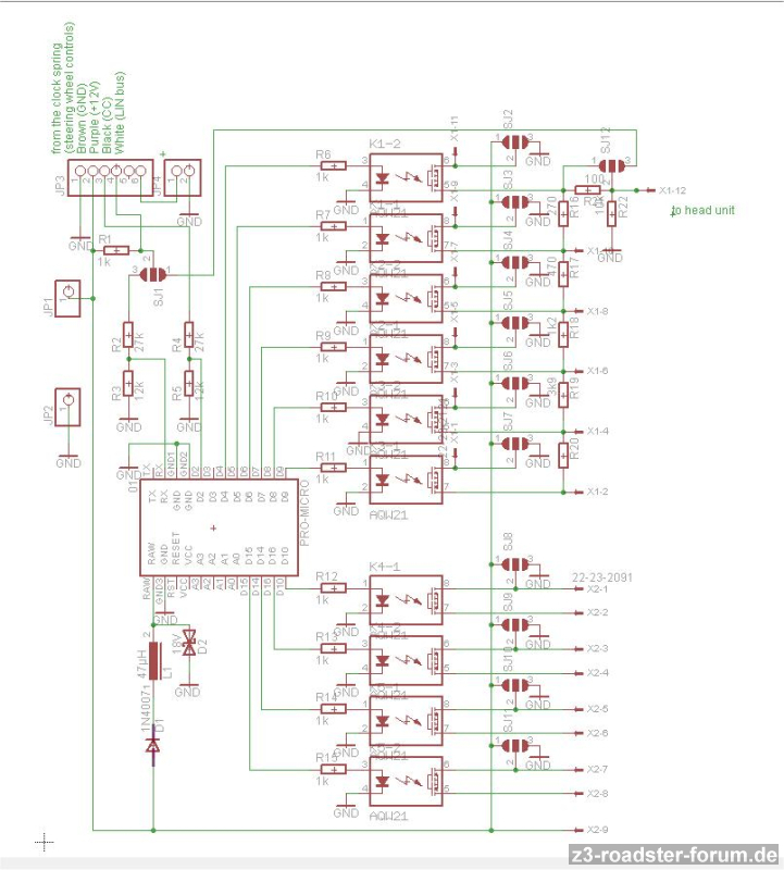
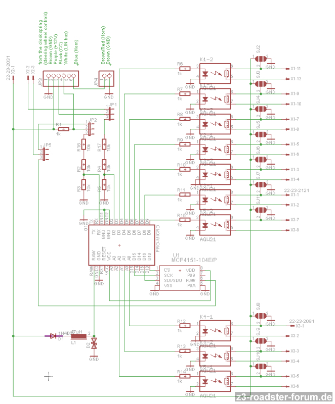
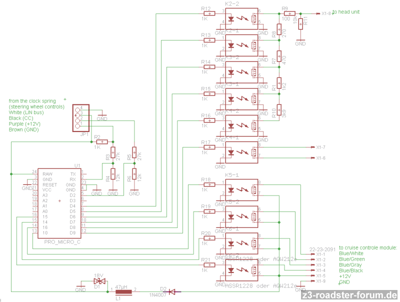
Ich habe der Vollständigkeit halber mal die Schaltungen der MFL (Radio-)Tasten aufgezeichnet und pack es hier mit rein, weil es zum Thema gehört. Beim E46 Sportlenkrad (auch X5) liegen die Radio-Tasten alle links, beim E39 M-Lenkrad gibt es zwei Varianten. Mit und ohne RT/Tel-Taste. Ich habe leider nur die Variante ohne, und die R/T-Taste liegt beim E39 MFL dann auch noch auf der anderen Seite bei den Tempomattasten. Man darf denke ich getrost davon ausgehen, dass die Widerstandswerte wie auch bei den anderen Tasten gleich sind wie beim E46.
Die gesamte aktive Elektronik ist auf der Tempomatseite, dort werden die Widerstands-Signale der Radio-Tasten dann ausgewertet und als entsprechende Nachrichten auf dem I-Bus verschickt.
Gruß Steffen


