BigT hat geschrieben:Also... ich habe mal die Schaltpläne durchgeschaut.
Die geschaltete Stromversorgung (Zündungs-Plus) liegt ja - wie wir schon wissen - an PIN 5.
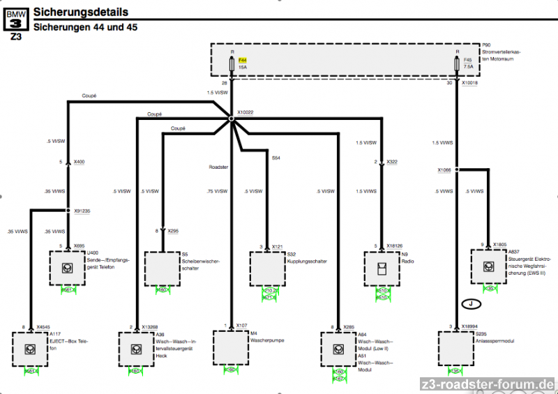
PIN 5 wird gemäss Schaltplan ab Verteilerpunkt X322 durch eine Violett-Weisse Leitung versorgt.
Deine Info war also richtig!
Jetzt musst Du nur noch einmal nachmessen, um ganz sicher zu sein

Ja, da hab ich auch mal etwas rumgemessen, das stimmt schon. Tatsache ist nur dass ich noch einen Punkt suche, wo ich das - sicher - abgreifen kann. Die Leitung, die direkt am Zündschloss anliegt (Schaltplan Seite 33, 2.5 VL) will ich keinesfalls direkt anzapfen, da geht mir zu viel Saft drüber ... das soll so bleiben wie es ist.
Das Dumme ist halt - ich hab als andere Stelle nicht so wahnsinnig viele Möglichkeiten gesehen. Und an der EWS was abknapsen? Naja, das kann böse enden würde ich sagen ... zumal der Querschnitt an der EWS schon recht klein ist, da frage ich mich wieder, ob das langt ...
*e* Aah ich Dummerle. Hab ganz vergessen, dass es im Schaltplan auch das Lageverzeichnis gibt ... das werd ich wohl gleich mal aufsuchen.
