oldman26 hat geschrieben:mahlzeit
wie im anderen fred schon erzählt war meiner beim lackierer.und beim ausbau der antenne ist mir das antennengehäuse,keine ahnung wie man das nennt auf jedenfall das ding wo man den antennenstab reinschraubt,abgebrochen.
ab nach bmw und wollt das ding bestellen sagt der mir was von 90 euro dafür.
hab es erstmal nicht bestellt.gibt es da ne vernünftige alternative??
Moinsen,
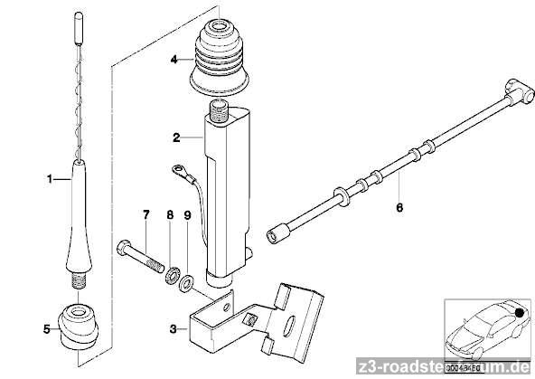
schau mal auf das Bild weiter unten. Vermutlich wollten sie Dir bei

das Teil mit der Nummer 2 bestellen. Das nennt sich zwar "Antennenfuß", kostet auch so in etwa so viel, wie man Dir gesagt hat, ist aber nach Deiner Beschreibung nicht das, was Du brauchst.
So wie es sich anhört brauchst Du Teil das mit der Nummer 5, es nennt sich "Tülle Kurzstabantenne außen", hat die

Artikelnummer 65 2 18 389 698 und kostet etwa 2,-€