Hallo Leute,
ich habe folgendes Problem und komme momentan nicht recht weiter.
Bei meinem 2,8er ist eine neue Batterie verbaut, welche nach einigen Tagen leer ist.
Da ich vom Fach bin, habe ich den Ruhestrom gemessen und dieser ist mit 130mAh zu hoch.
Nach ziehen der Sicherung F31 geht dieser auf einen guten Wert, 35mAh herunter.
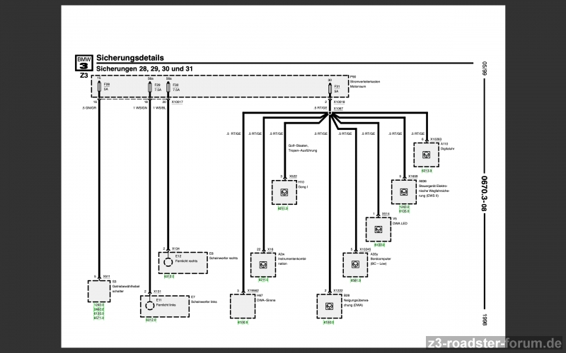
Laut Schaltplan hängen an F31 folgende Steuergeräte:
Kombi--> abgeklemmt, Ruhestrom unverändert hoch
EWS--> abgeklemmt, Ruhestrom zu hoch
ZKE-> abgeklemmt, Ruhestrom zu hoch
Bordcomputer/Uhr abgeklemmt --> Ruhestrom zu hoch
zu letzterem, was mich wundert, da die DWA ja meines Wissens hier integriert ist?!
Laut Schaltplan sind auch alle Komponenten der DWA mit abgesichert, ich weiß nur nicht wie diese alle verbaut sind.
Haubenkontakt habe ich abgezogen und Innenraumüberwachung durch doppelt abschließen deaktiviert, keine Änderung.
Unabhängig davon habe ich mal das Zubehörradio abgeklemmt, auch keine Veränderung.
Hat noch jemand eine Idee was an F31 hängt und die Ursache sein könnte?
Mir ist aufgefallen, dass beim auslösen der DWA nur der Warnblinker angeht und kein Signal....
Hoffe jemand kennt das Problem oder hat noch eine Idee.
Danke, und Grüße
PS:vorliegender Schaltplan


