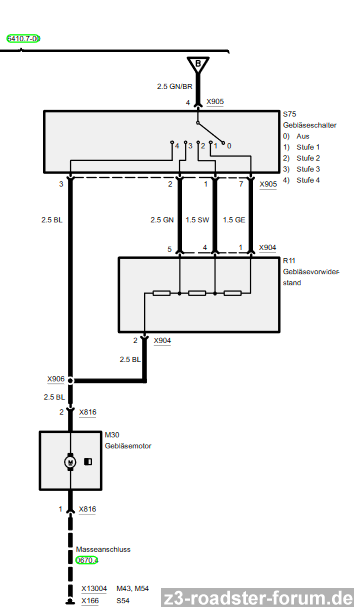
Das Schaltbild aus dem Stromlaufplan macht einem die Sache aber viel schneller klar.

Siehe Anhang, wenn der linke Widerstand kaputt geht, geht nur noch Stufe 4, weil hier die 12 V direkt durchgeschaltet werden auf den Gebläsemotor ohne Vorwiderstand. Die Vorwiderstände reduzieren den Stromfluss und damit die Leistung des Gebläsemotors. Dabei werden sie recht warm/heiß. Geckster hat es ja schon grob beschrieben.
Das Beispiel müsste aus einem Modell ohne Klima sein, mit Klima ist das Prinzip aber das Gleiche.

Kostet derzeit gut 40€ bei BMW.
https://www.leebmann24.de/widerstand-3e ... 75754.html