Hi,
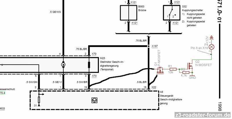
also mein Z3 hat dieses "E-Gas". Das bedeutet, dass wenn ich den Tempomat aktiviere, das Tempomat- Steuergerät dem Motorsteuergerät über CAN den Befehl gibt die Geschwindigkeit zu halten.
Mit dem Diagnose - Tool, welches ich hier offenbar nicht nennen darf, gelang es mir dem Kombiinstrument über CAN den Befehl zu geben "Tempomatleuchte AN". Somit kommt diese Nachricht wohl vom Motorsteuergerät über CAN an das Kombiinstrument.
Die Lösung mit dem MOSFET gefällt mir gut und es wäre recht einfach zu realisieren.
Gruß
Wolfgang


