Hallo,
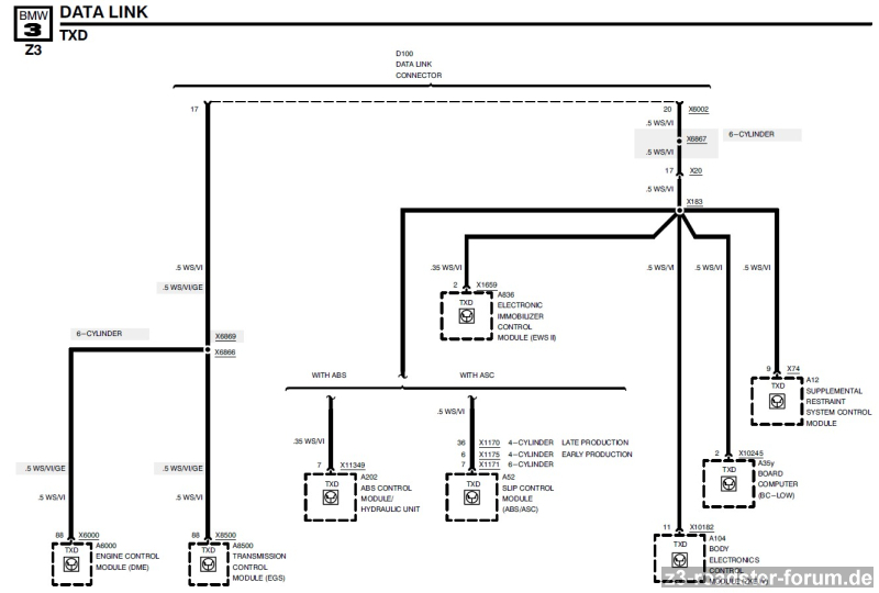
ich habe ein Problem mit der Diagnosesteckdose an meinem VFL 2,8 aus 02/97. Vor einiger Zeit hat die Kommunikation mit diversen Diagnosegeräten noch wunderbar funktioniert, leider komme ich in kein Steuergerät mehr rein. Nach einiger Suche bin ich auf ein Problem an der Diagnosebuchse gestoßen. Spannung, Masse, Zündplus funktioniert einwandfrei. An der RXD Datenleitung (Pin 15) habe ich >12V anliegen und bei ausgeschalteter Zündung einen hochohmigen Widerstand gegen Masse. An der TXD Datenleitung (Pin 20) habe ich 0V und ca. 30 Ohm. Es scheint, als würde irgend etwas die Spannung der TXD Leitung gegen Null ziehen. In Netz habe ich ein paar Berichte in anderen BMW Foren gefunden, scheint also kein Einzelfall zu sein. Hattet von euch schon jemand so einen Effekt und kann mir Tipps geben, wie ich den Fehler eingrenzen kann?
Viele Grüße
Achim


