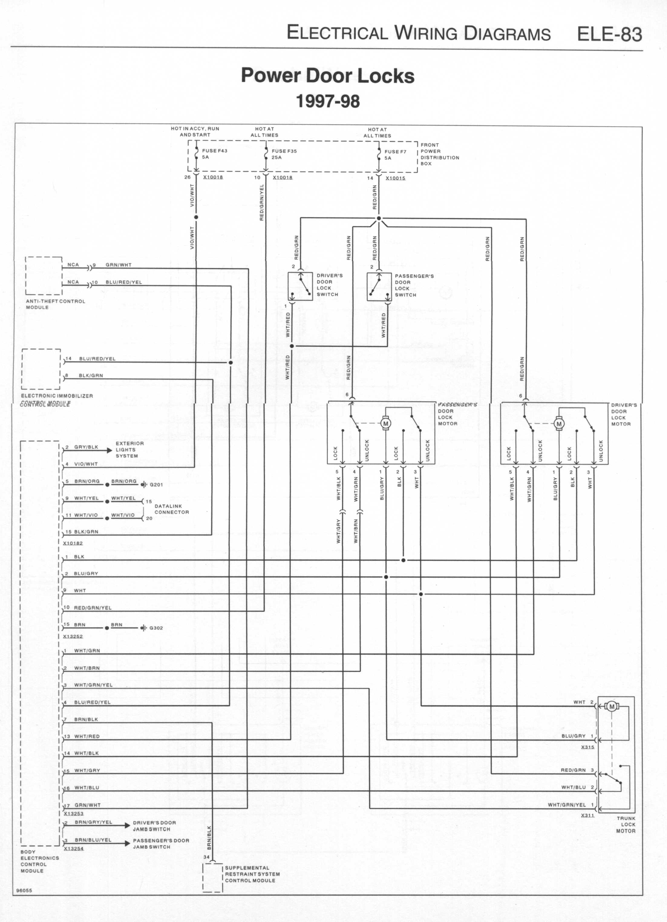
Schaltplan Power Door Locks (ELE-83) 1997/1998

Downloads rund um den BMW Z3 roadster/coupe
Forumsregeln
Alle Themen in diesem Bereich (Kategorie) werden alphabetisch sortiert angezeigt.
[A] = Antrieb
[A/N/M] = Audio/Navigation/Mobiltelefon
[F/K] = Fahrwerk/Karosserie
[I] = Innenraum

Schaltplan Power Door Locks (ELE-83) 1997/1998

Beitragvon Toni » 29.09.2005 20:54

Schaltplan Power Door Locks (ELE-83) 1997/1998
Dateianhänge
Power_Door_Locks_ELE-83.jpg
Schaltplan Power Door Locks (ELE-83) 1997/1998
Benutzeravatar
Toni
Webmaster

Themenstarter
 
22 Jahre Mitgliedschaft22 Jahre Mitgliedschaft22 Jahre Mitgliedschaft22 Jahre Mitgliedschaft22 Jahre Mitgliedschaft22 Jahre Mitgliedschaft22 Jahre Mitgliedschaft22 Jahre Mitgliedschaft22 Jahre Mitgliedschaft22 Jahre Mitgliedschaft
22 Jahre Mitgliedschaft22 Jahre Mitgliedschaft22 Jahre Mitgliedschaft22 Jahre Mitgliedschaft22 Jahre Mitgliedschaft22 Jahre Mitgliedschaft22 Jahre Mitgliedschaft22 Jahre Mitgliedschaft22 Jahre Mitgliedschaft22 Jahre Mitgliedschaft
22 Jahre Mitgliedschaft22 Jahre Mitgliedschaft
 
Alter: 58
Beiträge: 7666
Themen: 1185
Bilder: 396
Registriert: 01.05.2003 00:11
Wohnort: Sachsenheim (BW)

Z3 roadster 1.8 (07/1997)

   



  

  • Ähnliche Themen
    Antworten
    Zugriffe
    Letzter Beitrag

Zurück zu Einbauanleitungen / Reparaturanleitungen / Schaltpläne



Wer ist online?

Mitglieder in diesem Forum: ClaudeBot [Bot], uberMetrics [Bot] und 0 Gäste

x